
Miniature Bearings Australia
PLI-M-080-120-31-M-C - Datasheet
MBA
Category Information
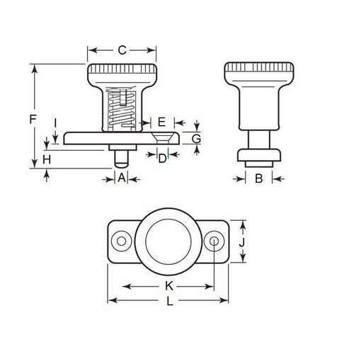
Plungers - Indexing with Plate - Non LockingNon Locking Indexing with Plate Plungers. Used to prevent change in locking position due to shearing force. Spring loaded for use in fastening, locating and indexing on equipment, tooling and other applications.
- Spring-loaded pin used to lock a part into a specific position.
- To use it, pull the handle or knob, which retracts the pin, allowing the part to be moved freely. When released the pin springs back into a hole, securing the part in its new position.
- Spring loaded to work in a variety of applications on both tooling and equipment that require surface mounting.
- Plunger is hardened and ground.
- Knob is black matte plastic. Mounting plate is zinc plated steel.
Product Data
- Body Diameter (B)
:
12.00
mm
(Equiv. 0.472 in.) - Overall Length (A)
44.0
mm
(Equiv. 1.732 in.) - Initial End Force 1.6 N
- Final End Force 2.9 N
- Tip Diameter (A) 8.0 mm
- Tip Length (H) 8.0 mm
- E / D / I 10.4 / 5.3 / 2.5 mm
- J / K / L 20.0 / 34.0 / 46.0 mm
- Material Steel
Product Compliance and Data
Additional Resources
Cross References
- 8478A2
- WIP1005
- WIP-1005


