
Miniature Bearings Australia
PLIT-080-160-150-68-LKPN-S3 - Datasheet
MBA
Category Information
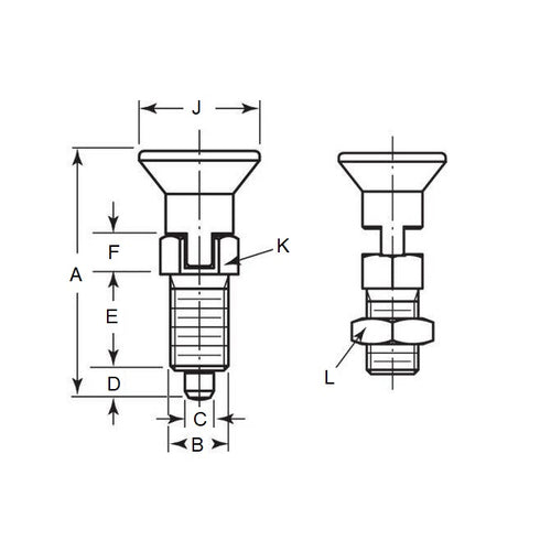
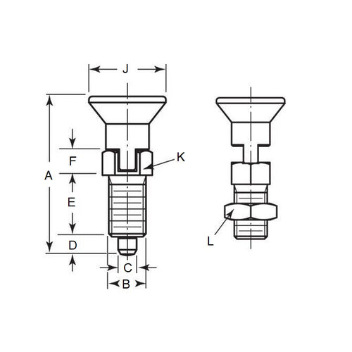
Plungers - Indexing Pull Knob - Stainless and Plastic - Locking Slot and NutLocking Slot and Nut Stainless and Plastic Indexing Pull Knob Plungers. With thermoplastic knob
Product Data
- Thread (B) : M16 Extra Fine (16x1.5mm)
- Overall Length (A)
68.0
mm
(Equiv. 2.677 in.) - Initial End Force 1.5 N
- Final End Force 3.6 N
- Tip Diameter (C) 8.0 mm
- Tip Length (D) 8.0 mm
- Knob Diameter (J) 33.0 mm
- Hex Size (K) 19.0 mm
- Nut Size (L) 24.0
- Material Stainless Steel 303 (Similar to A2, 304, 18-8)
Product Compliance and Data
Additional Resources
Cross References
- KBP-576
- KBP576


