
Miniature Bearings Australia
PLIT-080-160-150-31-C - Datasheet
MBA
Category Information
Plungers - Indexing - Non Locking - SteelSteel Non Locking Indexing Plungers. Used to prevent change in locking position due to shearing force. Spring loaded for use in fastening, locating and indexing on equipment, tooling and other applications.
- Body and pin are steel with black oxide finish.
Product Data
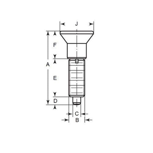
- Thread (B) : M16 Extra Fine (16x1.5mm)
- Thread Length (H)
34.0
mm
(Equiv. 1.339 in.) - Initial End Force 1.2 N
- Final End Force 3.2 N
- Tip Diameter (A) 8.0 mm
- Tip Length (D) 8.0 mm
- Installation Tool WIP-5015
- Material Steel
Product Compliance and Data
Additional Resources
Cross References
- WIP-320
- WIP320


