
Miniature Bearings Australia
PLIT-080-160-150-31-LSH-S3 - Datasheet
MBA
Category Information
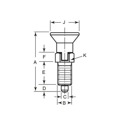
Plungers - Indexing - Locking - With Shoulder - Stainless SteelStainless Steel With Shoulder Locking Indexing Plungers. Used to prevent change in locking position due to shearing force. Spring loaded for use in fastening, locating and indexing on equipment, tooling and other applications.
Product Data
- Thread (B) : M16 Extra Fine (16x1.5mm)
- Thread Length (E)
23.0
mm
(Equiv. 0.906 in.) - Initial End Force 1.1 N
- Final End Force 2.7 N
- Tip Diameter (A) 8.0 mm
- Tip Length (D) 7.0 mm
- Nut Size (E) 21.9 mm
- Nut Thickness (J) 8.0 mm
- Material Stainless Steel
Product Compliance and Data
Additional Resources
Cross References
- WIP-720
- WIP720


