
Miniature Bearings Australia
PPV-J-085-QJA - Datasheet
MBA
Category Information
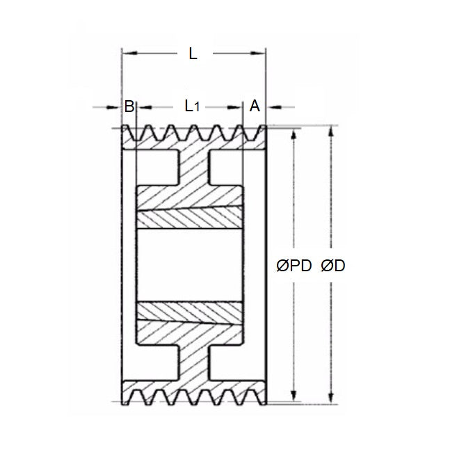
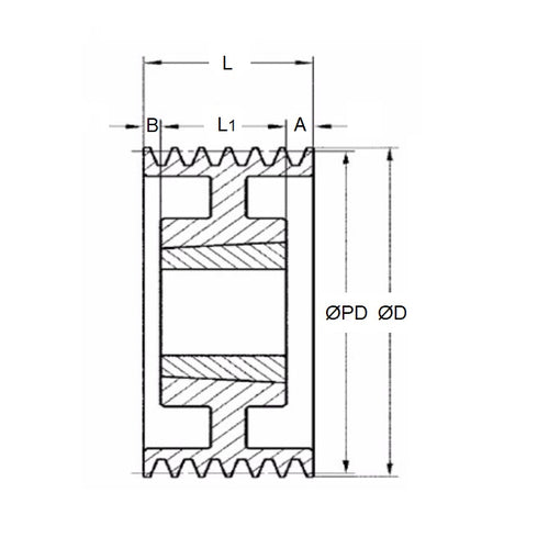
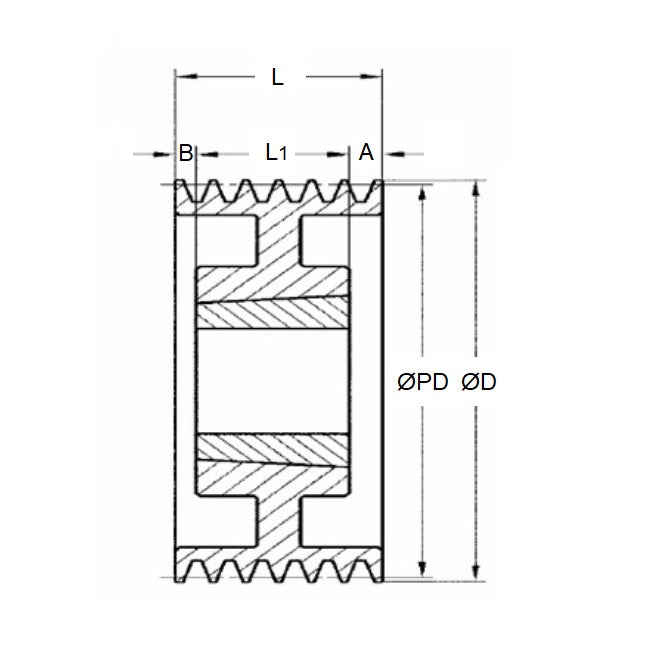
Pulleys - Poly V - J Section - QD BushQD Bush J Section Poly V Pulleys. Poly V pulley selection, with a QD bush centre, allowing you to tailor your bore requirements.
- Poly V pulley, also known as a multi-rib or serpentine pulley, is a type of pulley designed to work with a poly V-belt.
- Features multiple V-shaped grooves that correspond to the ribs on the belt, allowing for efficient and reliable power transmission in compact systems.
- Poly V drives are ideal for high ratio drives and high speeds.
- J Section is 2.34mm pitch and 3.56mm belt height
Product Data
- Outside Diameter (OD)
:
85.09
mm
(Equiv. 3.35 in.) - Grooves 6
- Pitch Diameter (PD) 85.85
- QD Bush JA
- Material Steel - Black Oxide
Product Compliance and Data
Additional Resources
Cross References
- Gates 6J335JA


