
Miniature Bearings Australia
P206PE - Datasheet
KMS
Category Information
Housings - Pillow Block - ThermoplasticThermoplastic Pillow Block Housings. Use with steel or plastic bearing inserts for plastic housings.
- An expanded range may be available on special order. Please enquire.
- Load and speed capability depend on the bearing used.
Product Data
Deleted Item. Available while stocks last.
Please contact us first if you wish to use this item in a new design so we can check whether production can be resumed.
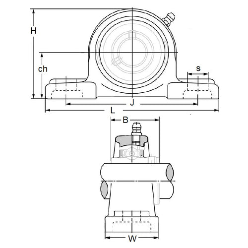
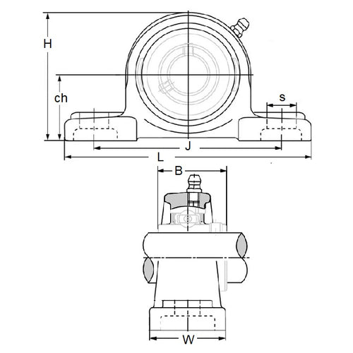
- Height (H)
:
84.000
mm
(Equiv. 3.307 in.) - Length (L)
163.000
mm
(Equiv. 6.417 in.) - Base Width (W)
46.000
mm
(Equiv. 1.811 in.) - Bolt Hole Centres (J) 119.000 mm
- Centre Height (cH) 42.900 mm
- Bearing Width (B) 18.000 mm
- To Suit Bearing UC206 - UCDR206 - S6-UC206
- Bolt Hole Size (s) 14 x 18 mm
- Material Polyethylene
Product Compliance and Data
Additional Resources
Cross References
- KMS PPL206


