
Miniature Bearings Australia
12LM-1-400 - Datasheet
MBA
Category Information
Gearmotors - Open GearOpen Gear Gearmotors. Perfect for applications where inspection of the gears is important, educational purposes or for visual effects.
- This category will be discontinued when the remaining items are sold.
- All items are priced to quit.
- Backorders or orders for previously listed items in the category will only be available for very large orders.
Product Data
Deleted Item. Available while stocks last.
Please contact us first if you wish to use this item in a new design so we can check whether production can be resumed.
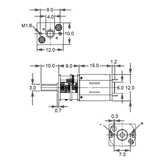
- Unloaded Output Speed : 8.75 RPM
- Rated Voltage 1.5 V
- No Load Current 0.05 A
- Max Efficiency Speed 6.25 RPM
- Max Efficiency Current 0.20 A
- Torque 4.00 g.cm
- Output 0.45 W
- Motor Speed 3500 RPM
- Material Steel
Product Compliance and Data
Additional Resources


