
Miniature Bearings Australia
IN-RIV-042C-036 - Datasheet
MBA
Category Information
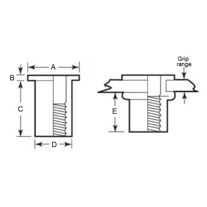
Inserts - Rivet Nuts - Klik - StandardStandard Klik Rivet Nuts Inserts. Individual Inserts for use with the Klik Thread Setter Tool
- One-piece, internally threaded fastener that creates a permanent, reusable thread in a material, from only one side.
- Installed using a special tool that grips the insert and pulls a mandrel, which causes the nut's body to deform and grip the hole. This allows a bolt to be threaded into the insert to join components together.
- Also known as a nutsert or rivnut.
- These threaded inserts can be used in blind or through hole applications. Featuring a heavy duty thread profile and increased thickness in the collapse area.
- Steel with cadmium plating.
Product Data
- Internal Thread : 8-32 UNC (4.17mm)
- Drill Hole Size
5.61
mm
(Equiv. 0.221 in.) - Grip Range
1.90 - 3.55
mm
(Equiv. 0.075 in.) - Body Diameter (D) 5.61 mm
- Flange Diameter (F) 9.07 mm
- C 12.700 mm
- B 0.813 mm
- E 8.001 mm
- 1.90 - 3.55
Product Compliance and Data
Additional Resources
Cross References
- 93483A631
- ALC-47121
- ALC47121


