
Miniature Bearings Australia
BF0080-0100-0080-AOI - Datasheet
MBA
Category Information
Bushes - Flanged - Plastic - Acetal - Oil ImpregnatedOil Impregnated Acetal Plastic Flanged Bushes. Oil impregnated acetal with self-lubricating characteristics.
- An expanded range may be available on special order. Please enquire.
Product Data
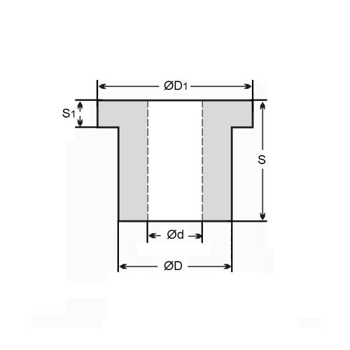
- Nominal Inside Diameter (d)
:
8.000
mm
(Equiv. 0.315 in.) - Nominal Outside Diameter (D)
10.000
mm
(Equiv. 0.394 in.) - Length (s)
8.000
mm
(Equiv. 0.315 in.) - Flange OD (D1) 15.00 mm
- Flange Thickness (s1) 1.00 mm
- Material Acetal Oil Filled
Product Compliance and Data
Additional Resources
- DU Bush Material Information
- General Bushes Catalogue
- Sintered Bronze Products Catalogue
- Solid Bronze Bushes catalogue
Cross References
- DAIDO DBS0808-15F
- DBS080815F



