
Miniature Bearings Australia
DT-143RS - Datasheet
MBA
Category Information
Linear - Slide Assemblies - Cross RollerCross Roller Slide Assemblies Linear. Higher load capacity than precision ball slide assemblies. High cycling rates. Tolerant of shock and overhanging loads.
- Accuracy of 0.00254mm per 25.4mm of travel. Repeatability 0.00254mm
- Not as naturally cleaning as ball slides. A good choice for environments protected from dust, and when heavy loads are a consideration.
- Positive stops prevent over-travel. Rollers improve capacity 8-10 times that of balls. Alternately crossed rollers handle force in any direction.
- Lightweight aluminium carriage and base. Interchangeable with many types of ball slides. Four tapped carriage holes and two counter bored base holes simplify installation and component mounting.
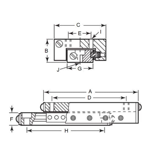
Product Data
- Travel
:
76.20
mm
(Equiv. 3 in.) - Load Capacity 199.58 Kg
- A
127.000
mm
(Equiv. 5 in.) - B 25.400 mm
- C 66.548 mm
- D 101.600 mm
- E 31.750 mm
- F 15.875 mm
- G 38.100 mm
- H 111.125 mm
- I and J 10-32 UNF mm
Product Compliance and Data
Additional Resources


