
Miniature Bearings Australia
CCF170RS - Datasheet
MBA
Category Information
Roller Followers - StandardStandard Roller Followers. This is the main category in this series
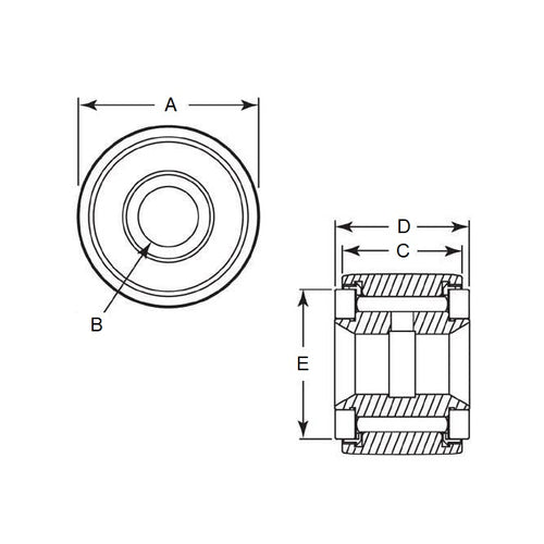
Product Data
- Diameter (A)
:
76.200
mm
(Equiv. 3 in.) - Overall Width (D)
46.038
mm
(Equiv. 1.813 in.) - Bore (B)
25.400
mm
(Equiv. 1 in.) - Width (C) 44.450 mm
- E 57.150 mm
- Dynamic Load Rating 7130.472 kg
- Static Load Rating 22597.972 kg
- Material Steel
Product Compliance and Data
Additional Resources
Cross References
- 6831K54
- CCF170
- CCF-170


