
Miniature Bearings Australia
CFF075-55-120M-R60 - Datasheet
MBA
Category Information
Mounts - Bobbin - FemaleFemale Bobbin Mounts. Vibration dampening
- An expanded range may be available on special order. Please enquire.
- Also see Bumpers
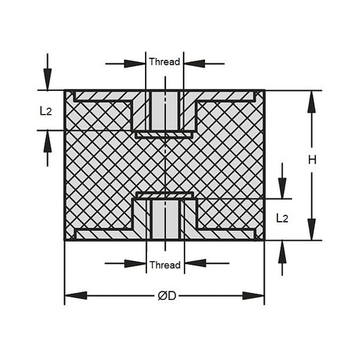
Product Data
- Nom. Body Diameter (D)
:
75.0
mm
(Equiv. 2.953 in.) - Body Height (H)
55.0
mm
(Equiv. 2.165 in.) - Thread Size M12x1.75
- Shore Hardness 60
- Compression Load 245 (524) Kg (lbs)
- Deflection 4.9 mm
- Max Shear Load 82.4 (184.6) Kg (lbs)
- Configuration Female to Female
- Material Natural Rubber
Product Compliance and Data
Additional Resources
Cross References
- Trelleborg 20-00125
- 2000125
- CZY127555
- C-ZY-12-75-55


