
Miniature Bearings Australia
YE-5RS - Datasheet
MBA
Category Information
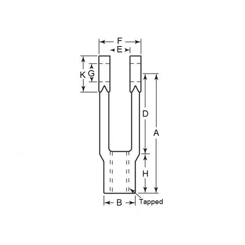
Yoke Ends - ThreadedThreaded Yoke Ends. Linkage connectors with threaded ends.
- A yoke end, also known as a clevis end, is a U-shaped metal fastener used to connect rods, cables, or pipes to a mounting point.
- It's commonly used in lifting, rigging, and other applications where secure attachment and articulation are needed.
- Yoke ends require a clevis pin and cotter pin for secure attachment.
- Drop forged steel machined to SAE standards
- Also see clevis joints
Product Data
- Effective Length (A)
:
73.030
mm
(Equiv. 2.875 in.) - Hub Diameter (B)
18.260
mm
(Equiv. 0.719 in.) - Gap (E) +/- 0.38
12.700
mm
(Equiv. 0.5 in.) - Width (F) +/- 0.38 25.40 mm
- Hole Size (G) +0.25 11.11 mm
- Stud Height (H) (+0.79) 25 mm
- Housing Diameter (K) 21 mm
- Thread Size 7/16-20 UNF
- Material Steel
Product Compliance and Data
Additional Resources


