
Miniature Bearings Australia
RPO-079-080-C - Datasheet
MBA
Category Information
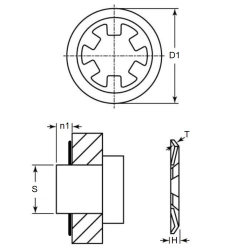
Retaining Rings - Push On - Carbon SteelCarbon Steel Push On Retaining Rings. M1465 / DTX / Seeger ZA and KS.
- An expanded range may be available on special order. Please enquire.
- Thrust load shown is calculated for ideal conditions with mild steel shaft.
- If no thrust load is shown, testing is suggested.
Product Data
- Min shaft size (s1)
:
7.90
mm
(Equiv. 0.311 in.) - Max Shaft Size (s2)
7.95
mm
(Equiv. 0.313 in.) - Outside diameter (D1)
13.00
mm
(Equiv. 0.512 in.) - Min shaft extension (n1) 1.02 mm
- Material Thickness (t) 1.02 mm
- Material Carbon Steel
Product Compliance and Data
Additional Resources
Cross References
- Waldes 5105-031
- IRR 6100-031
- NoCor DKS-008
- Small Parts RSE-5
- NoCor TY-031
- Rotor Clip TY-031
- TY031
- RSE5
- DKS008
- 6100031
- 5105031


