
Miniature Bearings Australia
BLP-079-0508-THD-S17 - Datasheet
MBA
Category Information
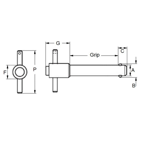
Pins - Ball Lock - No Shoulder - Tee Handle - Stainless Steel Heavy DutyStainless Steel Heavy Duty Tee Handle No Shoulder Ball Lock Pins. 17-4 PH or PH15-7MO stainless steel spindle and shank. Ground handling pins used in the handling of aircraft and service equipment. Tee handle.
- An expanded range may be available on special order. Please enquire.
- Positive lock detent pins.
- 300 Grade Stainless Components
- 440C Stainless Balls
Product Data
- Nominal Diameter
:
7.94
mm
(Equiv. 0.313 in.) - Grip Length (B)
50.80
mm
(Equiv. 2 in.) - Pin Material Grade 17-4 PH Stainless
- Locking Ball to End (C) 10.16 mm
- Open Ball Distance (B) 9.45 mm
- Handle Diameter (F) 12.70 mm
- Handle Height (G) 39.37 mm
- Handle Width (P) 50.80 mm
- Pull Out Strength 230 Kg
- Max. Diameter 7.90 mm
- Min. Diameter 7.86 mm
- Material Stainless Steel 17-4 PH
Product Compliance and Data
Additional Resources
Cross References
- 90980A240
- GHP60
- GHP-60A
- GHP60A


