
Miniature Bearings Australia
BLP-079-0381-BL-C - Datasheet
MBA
Category Information
Pins - Ball Lock - Ball HandleBall Handle Ball Lock Pins. Quick release. Zinc plated C1144 steel pins with black plastic ball handles snd spring loaded balls. Quick alternative to cotter pins.
- An expanded range may be available on special order. Please enquire.
- Positive lock detent pins.
- Plastic Handles
- 300 Grade Stainless Components
- 440C Stainless Balls
Product Data
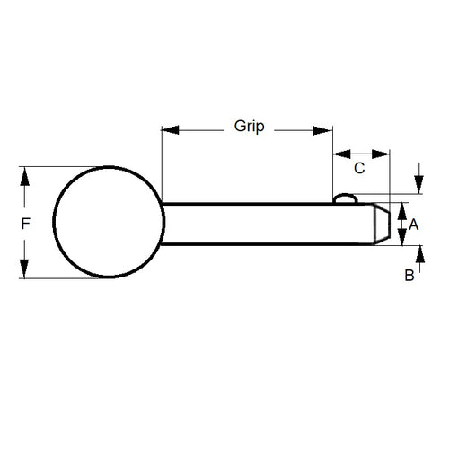
- Nominal Diameter
:
7.94
mm
(Equiv. 0.313 in.) - Grip Length (B)
38.10
mm
(Equiv. 1.5 in.) - Pin Material Grade Zinc Plated Carbon Steel
- Locking Ball to End (C) 9.53 mm
- Open Ball Distance (B) 9.09 mm
- Material Zinc Plated Carbon Steel
Product Compliance and Data
Additional Resources
Cross References
- FPF110
- FPF-110


