
Miniature Bearings Australia
GHK0794-0794-025 - Datasheet
ExaktKey
Category Information
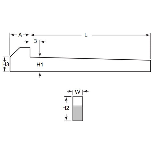
Keys - Gib Head - SteelSteel Gib Head Keys. Tapered 3.000 mm per 300 mm (1:100)
- An expanded range may be available on special order. Please enquire.
Product Data
- Nominal Key Height (H1)
:
7.938
mm
(Equiv. 0.313 in.) - Width (W)
7.938
mm
(Equiv. 0.313 in.) - Length (L)
25.4
mm
(Equiv. 1 in.) - Approx (B) 7.62
- Material Cold Finished Steel
Product Compliance and Data
Additional Resources
Cross References
- NoCor GIB-0312-1000
- GIB03121000


