
Miniature Bearings Australia
WST-25RS - Datasheet
MBA
Category Information
Pins - Side Thrust - Single Sided - Plastic BallPlastic Ball Single Sided Side Thrust Pins. For holding, clamping and positioning work pieces. Body is black oxide steel.
- Spring-loaded component used for clamping, positioning, and holding workpieces in machinery and fixtures.
- Space-saving, simple alternative to more complex clamping methods and are designed to press against a part to secure it.
- Often used for tasks like locating components during machining, in jigs and fixtures, or for holding flat items like circuit boards.
- Plastic ball and stainless spring with black oxide coated steel body
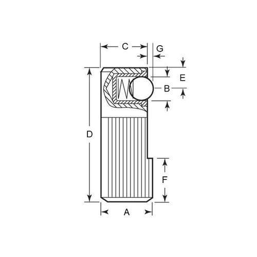
Product Data
- Knurled Diameter (A)
:
7.874
mm
(Equiv. 0.31 in.) - Ball Diameter (B)
3.048
mm
(Equiv. 0.12 in.) - End Diameter (C)
6.604
mm
(Equiv. 0.26 in.) - D 24.892 mm
- E 3.556 mm
- F 6.096 mm
- G 1.016 mm
- Initial Load Rating 0.25 Kg
- Final Load Rating 0.66 Kg
- Material Plastic Ball
Product Compliance and Data
Additional Resources
View full details


