
Miniature Bearings Australia
CC-070-079-SS - Datasheet
MBA
Category Information
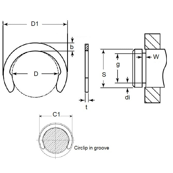
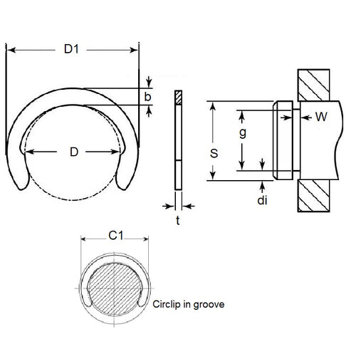
Retaining Rings - CrescentCrescent Retaining Rings. Variation of an E-Clip with an open face. Also known as a C-Clip.
- Narrow section height provides good clearance capabilities.
- Absence of teeth and deep set mean less thrust load ratings than e-clips.
- For best results install using the recommended applicator tool.
Product Data
- Groove Diameter (G)
:
7.01
mm
(Equiv. 0.276 in.) - Shaft Diameter (S)
7.93
mm
(Equiv. 0.312 in.) - Thickness (t)
0.64
mm
(Equiv. 0.025 in.) - Clip OD in groove (C1) 9.91 mm
- Clip OD Loose (D1) 9.55 mm
- Groove Width (W) 0.74
- Material Stainless Steel Grade PH15-7-17
Product Compliance and Data
Additional Resources
Cross References
- Military 16632-031-SS/B
- Military 16632-031-SS-B
- Waldes 5103-031-SS/B
- Waldes 5103-031-SS-B
- Ellison 9103-031-SS/B
- Ellison 9103-031-SS-B
- NoCor C-031-SS/B
- Rotor Clip C-031-SS/B
- NoCor C-031-SS-B
- Rotor Clip C-031-SS-B
- N1800031SS/B
- N1800-031-SS/B
- N1800031SSB
- N1800-031-SS-B
- 16632031SS/B
- 16632031SSB
- 9103031SS/B
- 9103031SSB
- 5103031SSB
- 5103031SS/B
- C031SSB
- C031SS/B


