
Miniature Bearings Australia
PLIT-060-120-150-52-KPU-C - Datasheet
MBA
Category Information
Plungers - Indexing Pull Knob - No Collar - Steel - StandardStandard Steel No Collar Indexing Pull Knob Plungers. With thermoplastic knob
Product Data
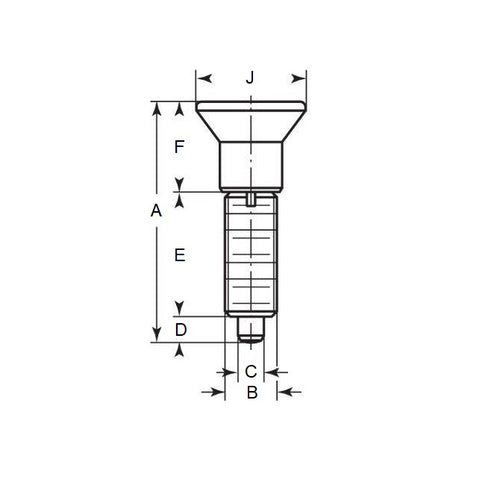
- Thread (B) : M12x1.5 (Fine)
- Overall Length (A)
51.7
mm
(Equiv. 2.035 in.) - Initial End Force 2.7 N
- Final End Force 6.4 N
- Tip Diameter (C) 6.0 mm
- Tip Length (D) 6.0 mm
- Hex Height (F) 17.7
- Knob Diameter (J) 25.0
- Material Steel
Product Compliance and Data
Additional Resources
Cross References
- KBP628
- KBP-628


