
Miniature Bearings Australia
PLIT-060-127C-56-LK-S3 - Datasheet
MBA
Category Information
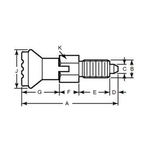
Plungers - Indexing - Locking - With Knob -StainlessWith Knob -Stainless Locking Indexing Plungers. Used to prevent change in locking position due to shearing force. Spring loaded for use in fastening, locating and indexing on equipment, tooling and other applications.
- 303 Stainless Steel
Product Data
- Thread (B) : 1/2-13 UNC (12.7mm)
- Thread Length (E)
20.1
mm
(Equiv. 0.791 in.) - Initial End Force 0.6 N
- Final End Force 1.4 N
- Tip Diameter (C) 6.0 mm
- Tip Length (D) 6.1 mm
- Handle Length (G) 22.1 mm
- Hex Diameter (K) 14.0
- Material Stainless Steel 303 (Similar to A2, 304, 18-8)
Product Compliance and Data
Additional Resources
Cross References
- GIP90
- GIP-90


