
Miniature Bearings Australia
P204 - Datasheet
MBA
Category Information
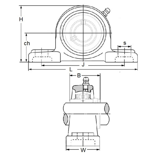
Housings - Cast Iron Pillow BlockCast Iron Pillow Block Housings. Lubrication Groove.
- An expanded range may be available on special order. Please enquire.
- Bearings sold separately.
- Larger sizes available on request.
- Use with steel bearing inserts for cast iron housings.
Product Data
- Height (H)
:
65.000
mm
(Equiv. 2.559 in.) - Length (L)
127.000
mm
(Equiv. 5 in.) - Base Width (W)
38.000
mm
(Equiv. 1.496 in.) - Bolt Hole Centres (J) 95.000 mm
- Centre Height (cH) 33.300 mm
- Bearing Width (B) 31.000 mm
- To Suit Bearing UC201 - UC202 - UC203 - UC204
- Bolt Hole Size (s) 13 x 19 mm
- Material Cast Iron
Product Compliance and Data
Additional Resources
Cross References
- Nachi P204J


