
Miniature Bearings Australia
FL204PE - Datasheet
KMS
Category Information
Housings - Flanged - 2 Bolt - Plastic to Suit Spherical OD BearingPlastic to Suit Spherical OD Bearing 2 Bolt Flanged Housings. Load and speed capability depend on the bearing used.
- An expanded range may be available on special order. Please enquire.
- Use with steel or plastic bearing inserts for plastic housings.
Product Data
Deleted Item. Available while stocks last.
Please contact us first if you wish to use this item in a new design so we can check whether production can be resumed.
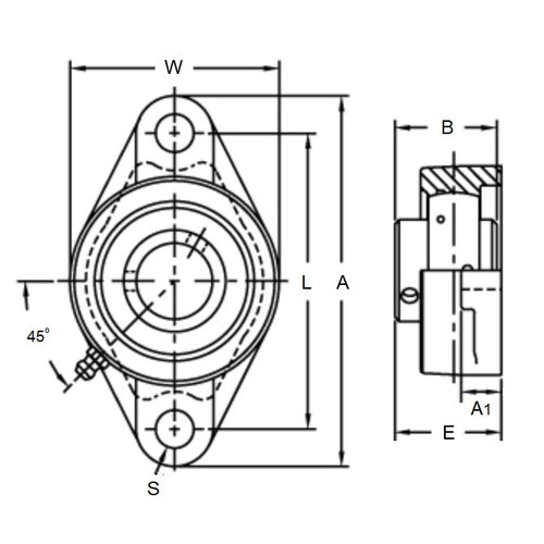
- Height (H)
:
64.000
mm
(Equiv. 2.52 in.) - Length (L)
113.000
mm
(Equiv. 4.449 in.) - Width - Assembled (W)
31.950
mm
(Equiv. 1.258 in.) - Bolt Hole Centres (J) 90.000 mm
- Base Width (A1) 11.400 mm
- Bearing Width (B) 13.000 - 15.000 mm
- To Suit Bearing UC204 - UCDR204 - S6-UC204
- Bolt Hole Size (s) 11.11 mm
- Material Polyethylene
Product Compliance and Data
Additional Resources
Cross References
- KMS NFL204


