
Miniature Bearings Australia
MB-0635-095 - Datasheet
MBA
Category Information
Mounts - Bonded - Tee Bush Centre BoltTee Bush Centre Bolt Bonded Mounts. Vibration isolation for mobile and static applications involving plate clamping
- An expanded range may be available on special order. Please enquire.
- Reduces structure borne noise and absorbs shock forces
- Low profile height
Product Data
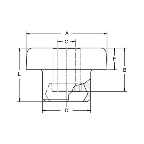
- Max Static Load : 635 kg
- Bolt Hole Diameter (C)
20.4
mm
(Equiv. 0.803 in.) - Flange Diameter (A)
95.0
mm
(Equiv. 3.74 in.) - Flange Width (F) 25.4 mm
- Shoulder Diameter (D) 56.6 mm
- Overall Length (B) 63.0 mm
- Material Rubber
Product Compliance and Data
Additional Resources
Cross References
- BBM60
- BBM-60


