
Miniature Bearings Australia
CCF165RS - Datasheet
MBA
Category Information
Roller Followers - StandardStandard Roller Followers. This is the main category in this series
Product Data
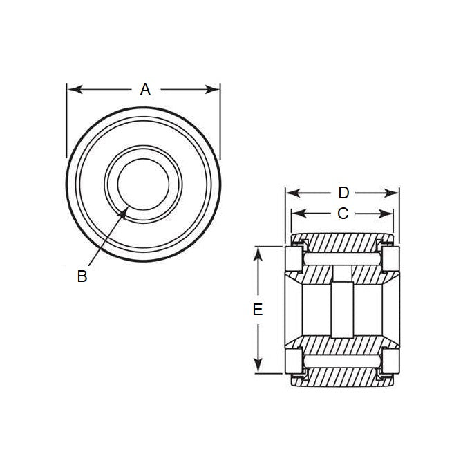
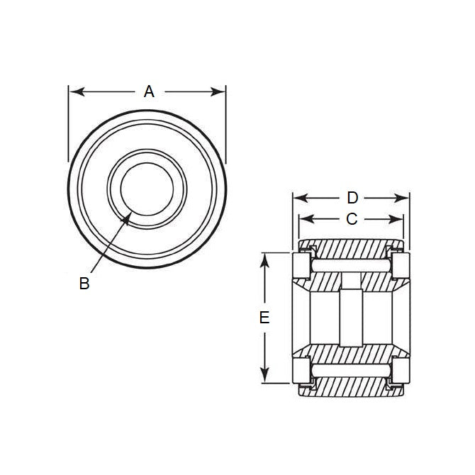
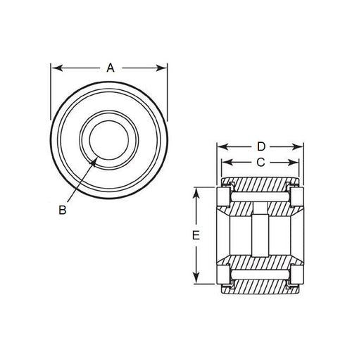
- Diameter (A)
:
63.500
mm
(Equiv. 2.5 in.) - Overall Width (D)
39.688
mm
(Equiv. 1.563 in.) - Bore (B)
19.050
mm
(Equiv. 0.75 in.) - Width (C) 38.100 mm
- E 44.450 mm
- Dynamic Load Rating 5316.103 kg
- Static Load Rating 14923.189 kg
- Material Steel
Product Compliance and Data
Additional Resources
Cross References
- 6831K52
- CCF165
- CCF-165


