
Miniature Bearings Australia
CFF060-45-100M-R45 - Datasheet
MBA
Category Information
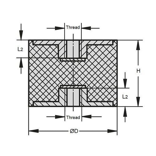
Mounts - Bobbin - FemaleFemale Bobbin Mounts. Vibration dampening
- An expanded range may be available on special order. Please enquire.
- Also see Bumpers
Product Data
- Nom. Body Diameter (D)
:
60.0
mm
(Equiv. 2.362 in.) - Body Height (H)
45.0
mm
(Equiv. 1.772 in.) - Thread Size M10x1.5
- Shore Hardness 45
- Compression Load 93 (199) Kg (lbs)
- Deflection 4.0 mm
- Configuration Female to Female
- Material Natural Rubber
Product Compliance and Data
Additional Resources
Cross References
- 6045FF10-45
- 6045FF1045


