
Miniature Bearings Australia
CFF060-35-120M-R70 - Datasheet
MBA
Category Information
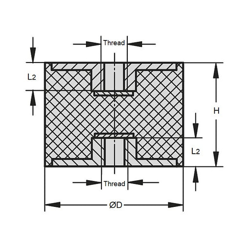
Mounts - Bobbin - FemaleFemale Bobbin Mounts. Vibration dampening
- An expanded range may be available on special order. Please enquire.
- Also see Bumpers
Product Data
- Nom. Body Diameter (D)
:
60.0
mm
(Equiv. 2.362 in.) - Body Height (H)
35.0
mm
(Equiv. 1.378 in.) - Thread Size M12x1.75
- Shore Hardness 70
- Compression Load 285 (610) Kg (lbs)
- Deflection 3.1 mm
- Configuration Female to Female
- Material Natural Rubber
Product Compliance and Data
Additional Resources
Cross References
- 6035FF1270
- 6035FF12-70


