
Miniature Bearings Australia
JLP-15RS - Datasheet
MBA
Category Information
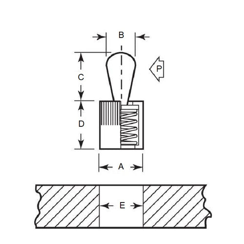
Pins - Locating Spring - Steel Pin - SealedSealed Steel Pin Locating Spring Pins. Aluminium Body. For fixturing small parts in tight areas. Ideal for positioning and chucking flat or round parts for profile clamping.
Product Data
- Diameter (A)
:
6.35
mm
(Equiv. 0.25 in.) - Pin Diameter (B)
3.00
mm
(Equiv. 0.118 in.) - Pin Height (C)
4.01
mm
(Equiv. 0.158 in.) - D 7.01 mm
- E 6.35 mm + 0.025 / - 0.000
- P Force 4.08 Kg
- X 0.89 mm
- Installation Tool JLP-400
- Material Carbon Steel
Product Compliance and Data
Additional Resources
View full details


