
Miniature Bearings Australia
DR-WR4-12E-TTS-ECO - Datasheet
ECO
Category Information
Bearings - Double Row Ball - Radial - Chrome SteelChrome Steel Radial Double Row Ball Bearings. This is the main category in this series
- Double row ball bearings are generally wider than a single row bearing of equivalent ID and OD.
- The double row ball bearing accommodates much higher loads than a single row bearing.
- An expanded range may be available on special order. Please enquire.
Product Data
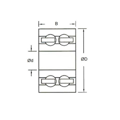
- ID (d)
:
6.350
mm
(Equiv. 0.25 in.) - OD (D)
19.050
mm
(Equiv. 0.75 in.) - Width (B)
19.050
mm
(Equiv. 0.75 in.) - Inner Ring Width (Bn) 22.225 mm
- Precision Grade Abec 7
- Closure Type TTS
- Bearing Type Double Row Self Aligning
- Material Chrome Steel SAE 52100 - Cadmium Plated
Product Compliance and Data
Additional Resources
- Catalogue: Ceramic Bearings Catalogue
- Catalogue: Plastic Bearings Catalogue
- Catalogue: Standard Bearings Catalogue
- General: Bearing Cleanliness
- General: Bearing Clearances
- General: Bearing Flanges & Snap Rings
- General: Bearing Retainers (Cages)
- General: General Loads Information
- General: Lubrication
- General: Prefix & Suffix Guide
- General: Static vs Dynamic Loads
- Materials: 316 Stainless
- Materials: CASSTOP Anti-Corrosion Bearing Material
- Materials: Ceramic vs Ceramic Hybrid
- Materials: Ceramic Bearings in Vibratory Applications
- Materials: Ceramic Hybrid Bearings in Vibratory Applications
- Materials: General Bearing Materials
- Materials: Magnetism & Bearings
- Precision: 316 Stainless & Plastic Bearing Tolerances
- Precision: ABEC Basic Information
- Precision: Precision Bearing Tolerances
- Problem Solving: Bearing Failure
- Problem Solving: Fatigue (L10 Life)
- Problem Solving: Noise
Cross References
- NHBB DW4
- NHBB DW4K


