
Miniature Bearings Australia
SFR168-ZS-MC34-GR5-R-G48 - Datasheet
Myonic
Category Information
Bearings - Single Row Ball - Flanged - High Precision - StandardStandard High Precision Flanged Single Row Ball Bearings. Stainless Steel Bearings with Flanges - Abec 5 and Abec 7.
- Single row radial ball bearings are arguably the most common, widely used type of bearing. They consist of an inner ring, an outer ring, a set of balls, and a cage that retains the balls in a circular path.
- Single row radial ball bearings are commonly used in a wide range of applications, including electric motors, fans, pumps, gearboxes, agricultural equipment, appliances, and automotive components.
- They are versatile, cost-effective bearings that provide reliable support for radial loads and minimal axial load in one direction. An expanded range may be available on special order. Please enquire.
- Single row radial ball bearings with flanges.
- High precision bearings are not recommended for skates or fishing reels.
- High precision bearings are used in accurately balanced application such as spindles, gyros and medical equipment.
- If your application is not of a precision nature, standard bearings may be more suitable (and less expensive).
Product Data
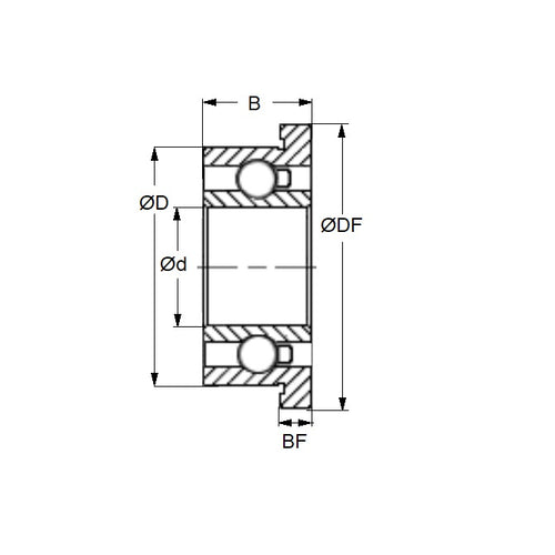
- ID (d)
:
6.350
mm
+ 0.000 / - 0.005
(Equiv. 0.25 in.) - O.D. (D)
9.525
mm
+ 0.000 / - 0.005
(Equiv. 0.375 in.) - Width (B)
3.175
mm
+ 0.000 / - 0.040
(Equiv. 0.125 in.) - Flange Diameter (DF) 10.719 mm
- Flange Width (BF) 0.914 mm
- Precision Grade Abec 5
- Closure Type Z
- Bearing Type Radial Flanged
- Lubricant Turmogrease Li 802 EP plus
- Notes Single Shield on Flanged Side
- Material Stainless Steel AISI 440C
- Lubrication Type Grease
- Lubrication Name G48 Turmogrease Li 802 EP plus
- Basic Part FR168
- Limiting Speed 57600
- Cage Type Ribbon
- Static Load Rating KGf 18
- Dynamic Load Rating KGf 38
- Radii Undefined mm
- Inner Shoulder (UI) Undefinedmm
- Outer Shoulder (UO) Undefined mm
- Number of Balls Undefined
- Clearance MC34 (5 to 13)
- Precision Grade Abec 5
- Closure Type ZS
- Max Temperature 120 Deg. C
Product Compliance and Data
Additional Resources
- Catalogue: Ceramic Bearings Catalogue
- Catalogue: Plastic Bearings Catalogue
- Catalogue: Standard Bearings Catalogue
- General: Bearing Cleanliness
- General: Bearing Clearances
- General: Bearing Flanges & Snap Rings
- General: Bearing Retainers (Cages)
- General: General Loads Information
- General: Lubrication
- General: Prefix & Suffix Guide
- General: Static vs Dynamic Loads
- Materials: 316 Stainless
- Materials: CASSTOP Anti-Corrosion Bearing Material
- Materials: Ceramic vs Ceramic Hybrid
- Materials: Ceramic Bearings in Vibratory Applications
- Materials: Ceramic Hybrid Bearings in Vibratory Applications
- Materials: General Bearing Materials
- Materials: Magnetism & Bearings
- Precision: 316 Stainless & Plastic Bearing Tolerances
- Precision: ABEC Basic Information
- Precision: Precision Bearing Tolerances
- Problem Solving: Bearing Failure
- Problem Solving: Fatigue (L10 Life)
- Problem Solving: Noise
Cross References
- FR168
- ULKZ8012X15/13A5PG5
- ULKZ8012X.1-5/13-A5P-G5
- ULKZ8012X.1c-48-A5P-6/15-G48
- ULKZ8012X1c48A5P6/15G48
- SFR168ZSRGR5MC34G48
- SFR168ZSMC34GR5G5
- S9912YE2537FS1G
- S9912Y-E2537FS1G
- SS9912YE2537FS1G
- SS9912Y-E2537FS1G
- SSFR168ZSRGR5MC34G48
- SSFR168ZSMC34GR5G5
- FR168 Basic Size Ref


