
Miniature Bearings Australia
BF0064-0079-0051-PC2 - Datasheet
MBA
Category Information
Bushes - Clip - Double FlangedDouble Flanged Clip Bushes. For use with sheet metal. Used as a light duty split bearing.
- Low clearance. Maintenance free. Economical. High Precision. High wear resistance.
- Light weight
- M250 Polymer minus 40 Deg C to 80 Deg C (minus 40 Deg F to 176 Deg F)
Product Data
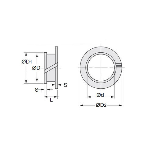
- Nominal Inside Diameter (d)
:
6.350
mm
(Equiv. 0.25 in.) - Nominal Outside Diameter (D)
7.938
mm
(Equiv. 0.313 in.) - Overall Length
5.080
mm
(Equiv. 0.2 in.) - Large Flange Dia 11.113 mm
- Flange Width (S) 0.8 mm
- Small Flange Dia 8.731 mm
- Min Housing Bore 7.717 mm
- Max Housing Bore 7.938 mm
- Min Shaft Size 6.325 mm
- Max Shaft Size 6.350 mm
- Sheet Metal Thickness 1.83 to 3.43
- Material Plastic
Product Compliance and Data
Additional Resources
- DU Bush Material Information
- General Bushes Catalogue
- Sintered Bronze Products Catalogue
- Solid Bronze Bushes catalogue
Cross References
- 6126K43
- S99GMC253420
- S99GMC-253420


