
Miniature Bearings Australia
GHK0635-0635-064-Z - Datasheet
ExaktKey
Category Information
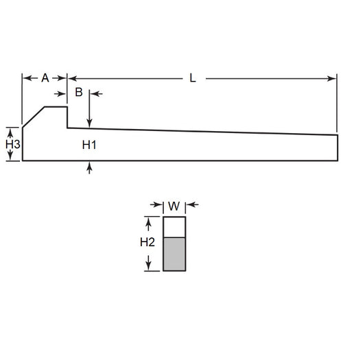
Keys - Gib Head - Zinc PlatedZinc Plated Gib Head Keys. Tapered 3.000 mm per 300 mm (1:100)
- An expanded range may be available on special order. Please enquire.
Product Data
Deleted Item. Available while stocks last.
Please contact us first if you wish to use this item in a new design so we can check whether production can be resumed.
- Nominal Key Height (H1)
:
6.350
mm
(Equiv. 0.25 in.) - Width (W)
6.350
mm
(Equiv. 0.25 in.) - Length (L)
63.5
mm
(Equiv. 2.5 in.) - Head Height (h2) Approx. 11.1 mm
- Approx (B) 5.08 mm
- Approx (H3) 7.14 mm
- Taper 1:100
- Standard BS46
- Head Length (Approx) (A) 7.94 mm
- Material Zinc Plated Steel
Product Compliance and Data
Additional Resources
View full details


