
Miniature Bearings Australia
REF-064-R-CC - Datasheet
MBA
Category Information
Rod Ends - Female - Steel - Plain - StampedStamped Plain Steel Female Rod Ends. Economy stamped style combines high strength with low cost. Also known as Heim Joints
- An expanded range may be available on special order. Please enquire.
- Made from low carbon steel and plated for corrosion resistance.
- Ball is case hardened.
Product Data
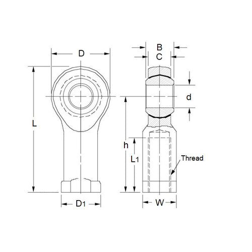
- Eye Size (d1)
:
6.35
mm
(Equiv. 0.25 in.) - Overall Length (L)
44.12
mm
(Equiv. 1.737 in.) - Thread Size 1/4-28 UNF Right
- Thread Length (l2) 17.45 mm
- Head Width (W) 7.29 mm
- Eye Width (W1) 9.53 mm
- Head Diameter (D) 21.59 mm
- Centre Height (l1) 33.33 mm
- Body Width/Flange Width(W2/D3) 9.53 / 13.08 mm
- Material Steel Stamped
Product Compliance and Data
Additional Resources
Cross References
- ARE-20
- ARE20


