
Miniature Bearings Australia
KF064-019-KOPH - Datasheet
MBA
Category Information
Knobs - Ball - Knock On PhenolicKnock On Phenolic Ball Knobs. Moulded from black phenolic resin.
- An expanded range may be available on special order. Please enquire.
- Light Weight.
- Thermal insulating.
- Non corrosive.
- POK Type have a ribbed insert. Shaft should be 0 to 0.007 mm undersized for best results
- 712 Type suit standard metric rod
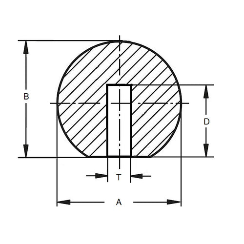
Product Data
- Thread or Hole Size : 6.35 mm Knock On
- Ball Diameter (A)
19.05
mm
(Equiv. 0.75 in.) - Colour Black
- Hole Type Ribbed Insert
- Material Phenolic
Product Compliance and Data
Additional Resources
Cross References
- 60865K72
- POK-15
- POK15


