
Miniature Bearings Australia
BLP-064-0635-T-PC - Datasheet
MBA
Category Information
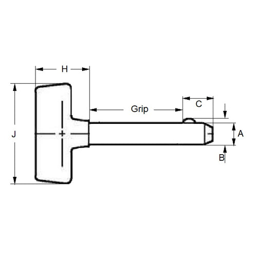
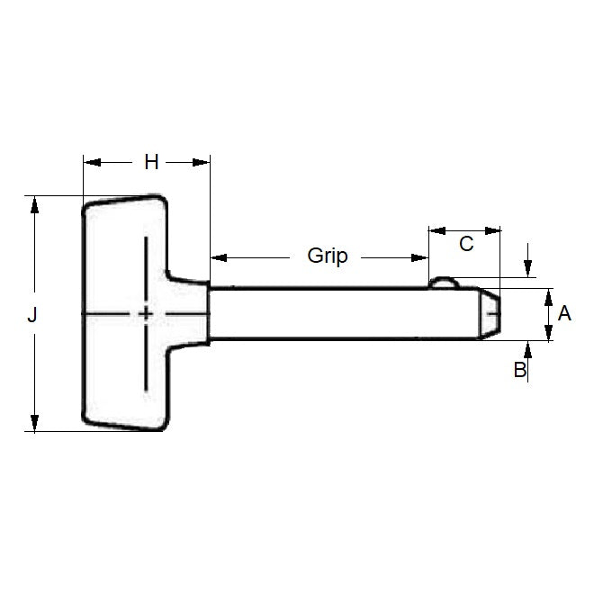
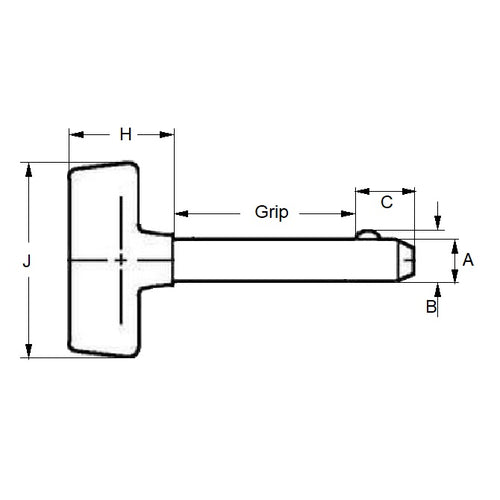
Pins - Ball Lock - No Shoulder - Tee Handle - Plastic HandlePlastic Handle Tee Handle No Shoulder Ball Lock Pins. Quick release. Zinc plated C1144 steel pins with black plastic ball handles and spring loaded balls. Quick alternative to cotter pins. Tee handle.
- An expanded range may be available on special order. Please enquire.
- Positive lock detent pins.
- Plastic Handles
- Carbon steel components
Product Data
- Nominal Diameter
:
6.35
mm
(Equiv. 0.25 in.) - Grip Length (B)
63.50
mm
(Equiv. 2.5 in.) - Pin Material Grade Carbon Steel
- Locking Ball to End (C) 7.93 mm
- Open Ball Distance (B) 7.26 mm
- Material Carbon Steel with Plastic Handle
Product Compliance and Data
Additional Resources
Cross References
- 92490A310
- FPF530
- FPF-530


