
Miniature Bearings Australia
SHX-TP-0350C-06-032-S3 - Datasheet
MBA
Product Data
Deleted Item. Available while stocks last. Deleted Item. Available while stocks last.
Please contact us first if you wish to use this item in a new design so we can check whether production can be resumed.
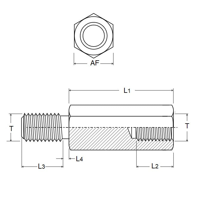
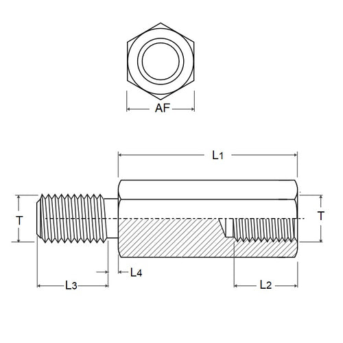
- Thread Size : 6-32 UNC (3.5mm)
- Stud Length (L3)
6.35
mm
(Equiv. 0.25 in.) - Base Length (L1)
25.40
mm
(Equiv. 1 in.) - Across Flats (A/F) 6.35 mm
- Bore Thread Length (L2) 9.53 mm
- Material Stainless Steel 303 (Similar to A2, 304, 18-8)
Product Compliance and Data
Additional Resources
Cross References
- 91075A446
- RAF830
- RAF-830


