
Miniature Bearings Australia
KM035C-010-1270-KNU-R - Datasheet
MBA
Category Information
Knobs - Thumb - Male With Cap ScrewMale With Cap Screw Thumb Knobs. Four types and four colours.
- An expanded range may be available on special order. Please enquire.
- Complete with high tensile alloy steel screw.
- If stainless steel screws required please order cap screws separately and knobs without screw.
Product Data
Deleted Item. Available while stocks last.
Please contact us first if you wish to use this item in a new design so we can check whether production can be resumed.
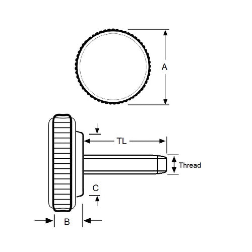
- Thread Size : 6-32 UNC (3.5mm)
- Head Diameter (A)
9.53
mm
(Equiv. 0.375 in.) - Screw Length
12.7
mm
(Equiv. 0.5 in.) - Colour Red
- Style Knurled
- Material Plastic with Insert
Product Compliance and Data
Additional Resources
Cross References
- A 9T41-R8399107
- A9T41-R8399107
- A9T41R8399107


