Miniature Bearings Australia - MBA Minibearings
Miniature Bearings Australia

CC-063-071-C - Datasheet

MBA

Category Information

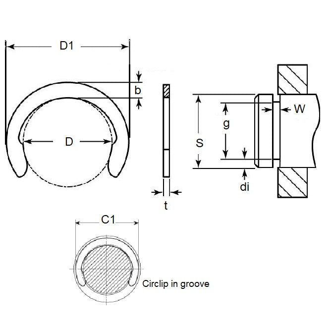
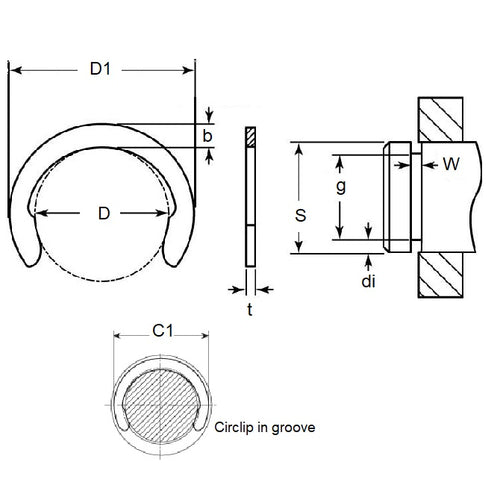
Retaining Rings - Crescent

Crescent Retaining Rings. Variation of an E-Clip with an open face. Also known as a C-Clip.

  • Narrow section height provides good clearance capabilities.
  • Absence of teeth and deep set mean less thrust load ratings than e-clips.
  • For best results install using the recommended applicator tool.

Product Data

  • Groove Diameter (G) : 6.27 mm
    (Equiv. 0.247 in.)
  • Shaft Diameter (S) 7.14 mm
    (Equiv. 0.281 in.)
  • Thickness (t) 0.64 mm
    (Equiv. 0.025 in.)
  • Clip OD in groove (C1) 9.14 mm
  • Clip OD Loose (D1) 8.79 mm
  • Groove Width (W) 0.74
  • Material Carbon Spring Steel Self Finish
Country of Origin: US

Product Compliance and Data

Additional Resources

    Cross References

    • Military 16632-028
    • Military 16632-028/B
    • Military 16632-028-B
    • Waldes 5103-028
    • Waldes 5103-028/B
    • Waldes 5103-028-B
    • Ellison 9103-028
    • Ellison 9103-028/B
    • Ellison 9103-028-B
    • 97414A630
    • NoCor C-028
    • Rotor Clip C-028
    • NoCor C-028/B
    • Rotor Clip C-028/B
    • NoCor C-028-B
    • Rotor Clip C-028-B
    • N1800-028/B
    • N1800-0028APP
    • N18000028APP
    • N1800028B
    • N1800028/B
    • N1800-028-B
    • 16632028
    • 16632028/B
    • 16632028B
    • 9103028
    • 9103028/B
    • 9103028B
    • 5103028
    • 5103028B
    • 5103028/B
    • C028
    • C028/B
    • C028B
    View full details