
Miniature Bearings Australia
PUI012-0520-120-S4S440 - Datasheet
MBA
Category Information
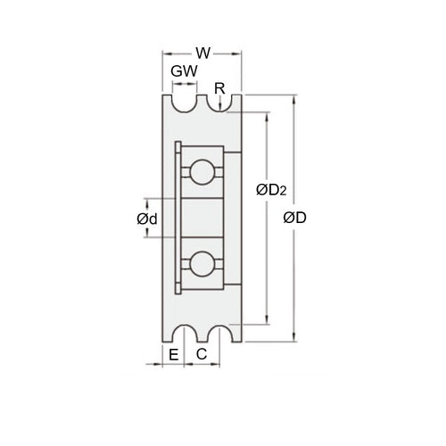
Pulleys - U Groove Idler - Double Row - StainlessStainless Double Row U Groove Idler Pulleys. Stainless with Stainless Ball Bearings
- Use with round belts such as Rounthane or O-Rings
Product Data
- Maximum Cable Diameter (H)
:
6.0
mm
(Equiv. 0.236 in.) - Outside Diameter (OD)
52.0
mm
(Equiv. 2.047 in.) - Bore (A)
12.000
mm
(Equiv. 0.472 in.) - Body Width 18.0 mm
- Overall Width (OAL) 18.0
- Dia. to Base of Groove (B) 44 mm
- Centre Spacing 8
- Type Stainless 440 Shielded Precision Ball Bearing
- Groove Radius (R) 3.1
- Material Stainless Steel 304 (Similar to A2, 18-8) HRB80
Product Compliance and Data
Additional Resources
Cross References
- MBXS5031


