
Miniature Bearings Australia
PUI012-1020-120-AZS440 - Datasheet
MBA
Category Information
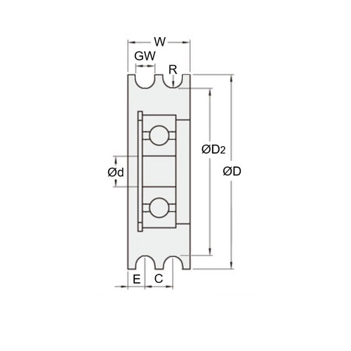
Pulleys - U Groove Idler - Double Row - AluminiumAluminium Double Row U Groove Idler Pulleys. Aluminium with Stainless Ball Bearings
- Use with round belts such as Rounthane or O-Rings
Product Data
- Maximum Cable Diameter (H)
:
6.0
mm
(Equiv. 0.236 in.) - Outside Diameter (OD)
102.0
mm
(Equiv. 4.016 in.) - Bore (A)
12.000
mm
(Equiv. 0.472 in.) - Body Width 18.0 mm
- Overall Width (OAL) 18.0
- Dia. to Base of Groove (B) 94 mm
- Centre Spacing 8
- Type Stainless 440 Shielded Precision Ball Bearing
- Groove Radius (R) 3.1
- Material Aluminium - Electroless Nickel Plated
Product Compliance and Data
Additional Resources
Cross References
- MBXA10031


