
Miniature Bearings Australia
PLIT-050-100-100-44-LKP-C - Datasheet
MBA
Category Information
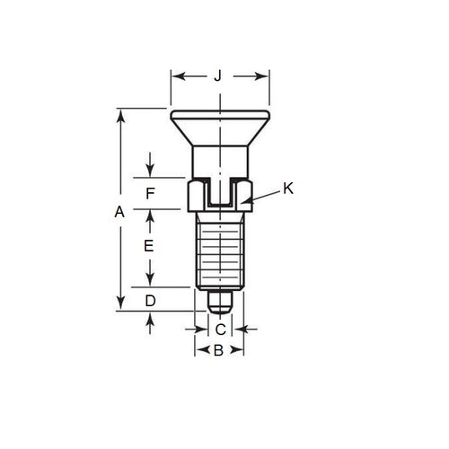
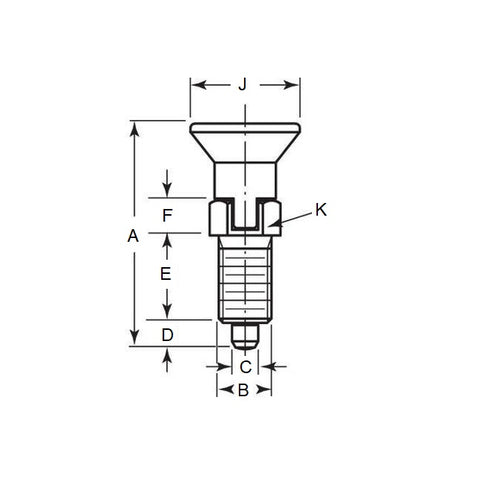
Plungers - Indexing Pull Knob - Steel - With Locking SlotWith Locking Slot Steel Indexing Pull Knob Plungers. With thermoplastic knob
Product Data
- Thread (B) : M10x1 (Extra Fine)
- Overall Length (A)
43.5
mm
(Equiv. 1.713 in.) - Initial End Force 5.4 N
- Final End Force 2.3 N
- Tip Diameter (C) 5.0 mm
- Tip Length (D) 5.0 mm
- Hex Height (F) 7.0 mm
- Knob Diameter (J) 21.0 mm
- Hex Size (K) 13.0
- Material Steel
Product Compliance and Data
Additional Resources
Cross References
- KBP-550
- KBP550


