
Miniature Bearings Australia
PLIT-050-100-100-50-LKP-S3F - Datasheet
MBA
Category Information
Plungers - Indexing Pull Knob - Stainless - With Locking SlotWith Locking Slot Stainless Indexing Pull Knob Plungers. This is the main category in this series
Product Data
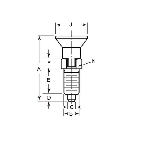
- Thread (B) : M10x1 (Extra Fine)
- Overall Length (A)
50.0
mm
(Equiv. 1.969 in.) - Initial End Force 2.3 N
- Final End Force 5.4 N
- Tip Diameter (C) 5.0 mm
- Tip Length (D) 5.0 mm
- Hex Height (F) 7.0 mm
- Knob Diameter (J) 21.0 mm
- Hex Size (K) 13.0
- Material Stainless Steel 303 (Similar to A2, 304, 18-8)
Product Compliance and Data
Additional Resources
Cross References
- KBP591
- KBP-591


