
Miniature Bearings Australia
PLIT-050-100-100-50-KPU-S3F - Datasheet
MBA
Category Information
Plungers - Indexing Pull Knob - No Collar - Stainless - StandardStandard Stainless No Collar Indexing Pull Knob Plungers. This is the main category in this series
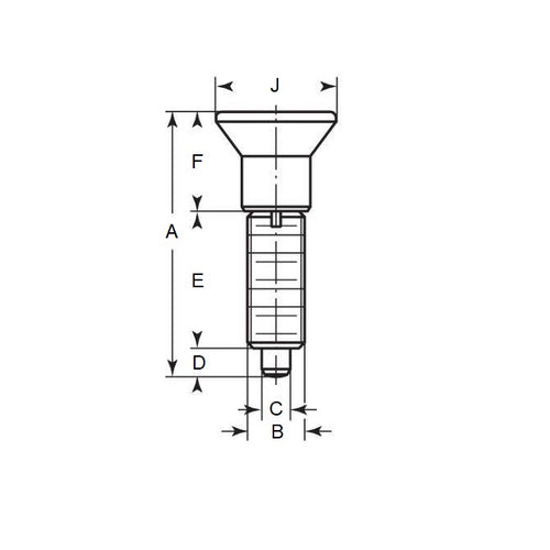
Product Data
- Thread (B) : M10x1 (Extra Fine)
- Overall Length (A)
50.0
mm
(Equiv. 1.969 in.) - Initial End Force 2.3 N
- Final End Force 5.4 N
- Tip Diameter (C) 5.0 mm
- Tip Length (D) 5.0 mm
- Hex Height (F) 21.0
- Knob Diameter (J) 21.0
- Material Stainless Steel 303 (Similar to A2, 304, 18-8)
Product Compliance and Data
Additional Resources
Cross References
- KBP655
- KBP-655


