
Miniature Bearings Australia
OW-0050-0110-0070-BND - Datasheet
ECO
Category Information
Bearings - One Way - SpragSprag One Way Bearings. Sprag clutch bearings allow your application to turn one way whilst locking in the opposite direction.
- One way bearings, also known as clutch bearings, or non-reversing bearings, allow rotation in a single direction.
- Commonly used in over-runnung, or backstopping applications.
- The unidirectional operation allows these bearings to play a crucial role in various mechanical systems where controlled rotation, overrunning protection, backstopping, indexing, or intermittent motion is required.
- Designed for press fit installation. Correct interference dimensions must be maintained to obtain maximum bearing and clutch performance.
- Mount the clutch ensuring that the shaft drive directionis in the direction indicated by the arrow on the inner race. To install, use a press tool / do not hammer or apply other stock to clutch.
- Make sure housing has enough strength to withstand press required for fitting installation. High carbon hardened steel alloy.
- Always lock out power switch before installing, removing, lubricating or servicing a system that uses Cam Clutch products.
- When connecting or disconnecting Cam Clutch products, eye protection is required. Wear safety glasses, protective clothing, gloves and safety shoes.
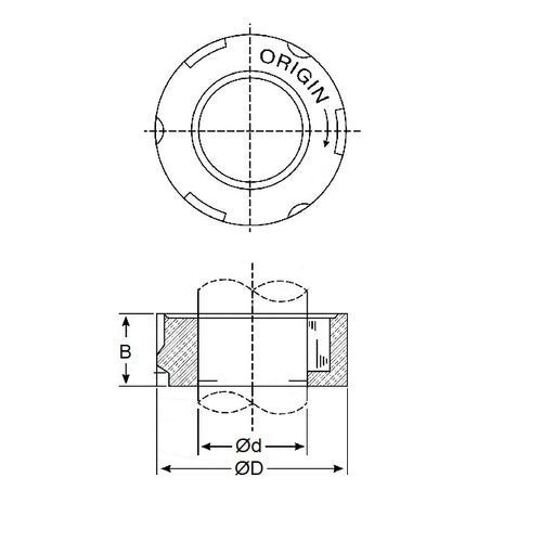
Product Data
- ID (C)
:
5.00
mm
(Equiv. 0.197 in.) - OD (B)
11.000
mm
(Equiv. 0.433 in.) - Width (A)
7.000
mm
(Equiv. 0.276 in.) - Shields Banded Enclosed
- Max Torque 0.294 Nm
- Material Chrome Steel
Product Compliance and Data
Additional Resources
- Catalogue: Ceramic Bearings Catalogue
- Catalogue: Plastic Bearings Catalogue
- Catalogue: Standard Bearings Catalogue
- General: Bearing Cleanliness
- General: Bearing Clearances
- General: Bearing Flanges & Snap Rings
- General: Bearing Retainers (Cages)
- General: General Loads Information
- General: Lubrication
- General: Prefix & Suffix Guide
- General: Static vs Dynamic Loads
- Materials: 316 Stainless
- Materials: CASSTOP Anti-Corrosion Bearing Material
- Materials: Ceramic vs Ceramic Hybrid
- Materials: Ceramic Bearings in Vibratory Applications
- Materials: Ceramic Hybrid Bearings in Vibratory Applications
- Materials: General Bearing Materials
- Materials: Magnetism & Bearings
- Precision: 316 Stainless & Plastic Bearing Tolerances
- Precision: ABEC Basic Information
- Precision: Precision Bearing Tolerances
- Problem Solving: Bearing Failure
- Problem Solving: Fatigue (L10 Life)
- Problem Solving: Noise
Cross References
- Origin OWC-5-11-7
- OWC5117


