
Miniature Bearings Australia
WRE-0050-LS - Datasheet
MBA
Category Information
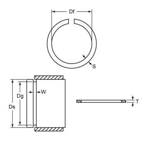
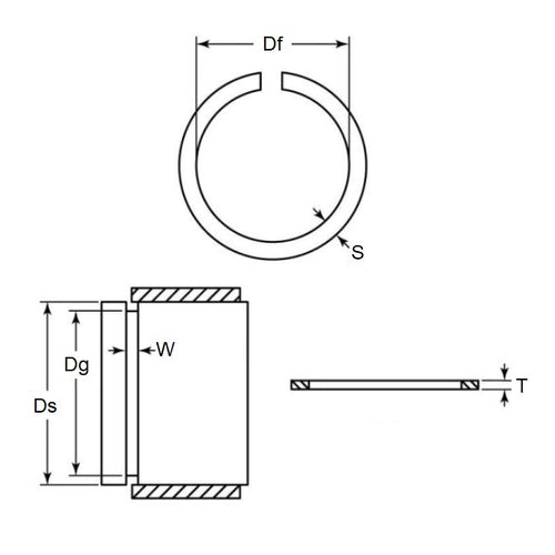
Retaining Rings - External - Snap Rings - Carbon SteelCarbon Steel Snap Rings External Retaining Rings. Includes series M3200 / SP / ESP / M2400 / SW snaprings. Similar to a circlip without the lugs.
- An expanded range may be available on special order. Please enquire.
- Carbon sping steel
- Used on the outside diameter of a bearing, shaft or similar equipment
Product Data
- Shaft or Bearing OD (d1)
:
5.00
mm
(Equiv. 0.197 in.) - Clip Thickness (T)
0.50
mm
+ 0 / - 0.10
(Equiv. 0.02 in.) - Groove Dia. (Dg)
4.80
mm
+ 0 / - 0.09
(Equiv. 0.189 in.) - Approx. Loose Circlip ID (A) 4.70 mm
- Radial Wall (S) Approx. 1.00 mm + 0 / - 0.10
- Groove Width (W) 0.60 mm
- Approx. Loose Clip OD 6.7
- Section Profile Rectangular with Square Edge
- Material Carbon Spring Steel
Product Compliance and Data
Additional Resources
Cross References
- NoCor DSW-005
- NTN WR5
- DSW005
- WRE0050SQ
- M24000050APP
- M2400-0050APP


