
Miniature Bearings Australia
PLIT-050-100-100-44-LKPN-S3 - Datasheet
MBA
Category Information
Plungers - Indexing Pull Knob - Stainless and Plastic - Locking Slot and NutLocking Slot and Nut Stainless and Plastic Indexing Pull Knob Plungers. With thermoplastic knob
Product Data
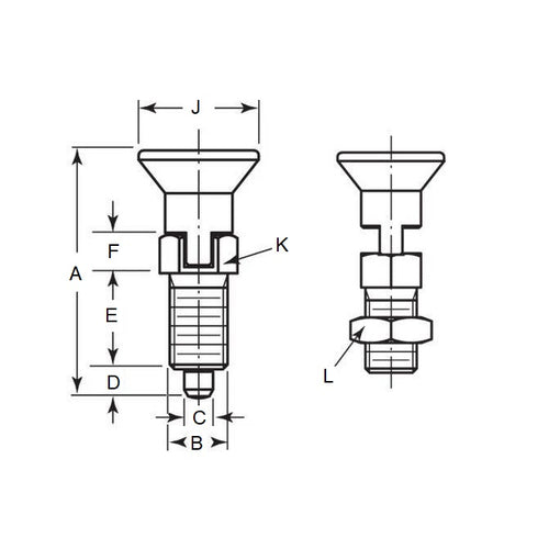
- Thread (B) : M10x1 (Extra Fine)
- Overall Length (A)
43.5
mm
(Equiv. 1.713 in.) - Initial End Force 0.5 N
- Final End Force 1.2 N
- Tip Diameter (C) 5.0 mm
- Tip Length (D) 5.0 mm
- Knob Diameter (J) 21.0 mm
- Hex Size (K) 13.0 mm
- Nut Size (L) 17.0
- Material Stainless Steel 303 (Similar to A2, 304, 18-8)
Product Compliance and Data
Additional Resources
Cross References
- KBP-574
- KBP574


