
Miniature Bearings Australia
PP5Z2 - Datasheet
MBA
Category Information
Housings - Pressed Metal Pillow BlockPressed Metal Pillow Block Housings. Bearings sold separately.
- An expanded range may be available on special order. Please enquire.
- Use with steel bearing inserts for pressed metal housings.
- Larger sizes available on request.
Product Data
Deleted Item. Available while stocks last.
Please contact us first if you wish to use this item in a new design so we can check whether production can be resumed.
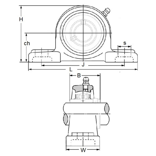
- Height (H)
:
56.600
mm
(Equiv. 2.228 in.) - Length (L)
108.000
mm
(Equiv. 4.252 in.) - Base Width (W)
32.000
mm
(Equiv. 1.26 in.) - Bolt Hole Centres (J) 86.000 mm
- Bearing Width (B) 27.000 mm
- Centre Height (ch) 28.600 mm
- To Suit Bearing B5
- Bolt Hole Size (s) 11.000 mm
- Material Steel
Product Compliance and Data
Additional Resources


