
Miniature Bearings Australia
WRE-0550-LS - Datasheet
MBA
Category Information
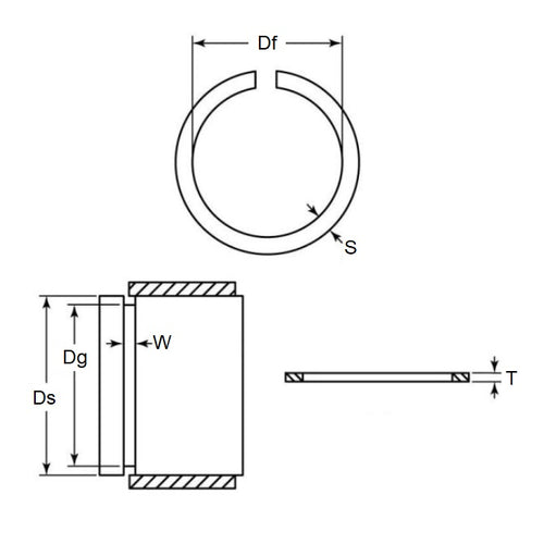
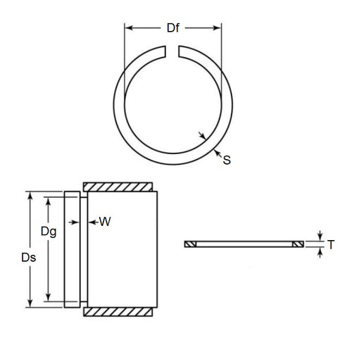
Retaining Rings - External - Snap Rings - Carbon SteelCarbon Steel Snap Rings External Retaining Rings. Includes series M3200 / SP / ESP / M2400 / SW snaprings. Similar to a circlip without the lugs.
- An expanded range may be available on special order. Please enquire.
- Carbon sping steel
- Used on the outside diameter of a bearing, shaft or similar equipment
Product Data
- Shaft or Bearing OD (d1)
:
55.00
mm
(Equiv. 2.165 in.) - Clip Thickness (T)
1.50
mm
+ 0 / - 0.10
(Equiv. 0.059 in.) - Groove Dia. (Dg)
53.50
mm
+ 0 / - 0.19
(Equiv. 2.106 in.) - Approx. Loose Circlip ID (A) 52.60 mm
- Radial Wall (S) Approx. 2.30 mm + 0 / - 0.10
- Groove Width (W) 1.60 mm
- Approx. Loose Clip OD 57.2
- Section Profile Rectangular with Square Edge
- Material Carbon Spring Steel
Product Compliance and Data
Additional Resources
Cross References
- NoCor DSW-055
- Seeger SW55
- Seeger SW55A501-S
- NTN WR55
- DSW055
- SW55A501S
- WRE0550SQ
- M2400-0550APP
- M24000550APP


