
Miniature Bearings Australia
UR-218 - Datasheet
MBA
Category Information
Retaining Rings - Internal - Spiral Rings - Light Duty - Carbon SteelCarbon Steel Light Duty Spiral Rings Internal Retaining Rings. Includes series CI / VH / UR - Spring Steel
- An expanded range may be available on special order. Please enquire.
- Light duty rings for use in low clearance applications.
- Also used as a positioning point for light loads.
- Radius notch on one end for removal.
- Narrow radial wall yields moderate thrust loads.
- Equivalent to Associated Spring: CI, Smalley: VH, Spirolox and Ramsey: UR
Product Data
Deleted Item. Available while stocks last.
Please contact us first if you wish to use this item in a new design so we can check whether production can be resumed.
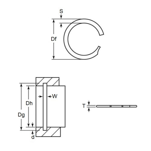
- Housing Bore (B)
:
55.55
mm
(Equiv. 2.187 in.) - Clip Thickness (T)
0.79
mm
+/- 0.05
(Equiv. 0.031 in.) - Groove Dia. (Dg)
57.48
mm
(Equiv. 2.263 in.) - Approx. Loose Circlip OD (Dr) 58.22 mm + 0.64 / - 0.00
- Radial Wall (S) Approx. 4.01 mm + 0.08 / - 0.13
- Groove Width (W) 1.00 mm +/- 0.15
- Approx. Loose Clip ID 50.2 + 0.07 / - 0.00
- Groove Depth (d) 0.97
- Material Carbon Spring Steel
Product Compliance and Data
Additional Resources
Cross References
- Associated Spring CI-218
- Smalley UR-218
- Spirolox UR-218
- Smalley VH-218
- CI218
- UR218
- VH218


