
Miniature Bearings Australia
WRE-0500-LS - Datasheet
MBA
Category Information
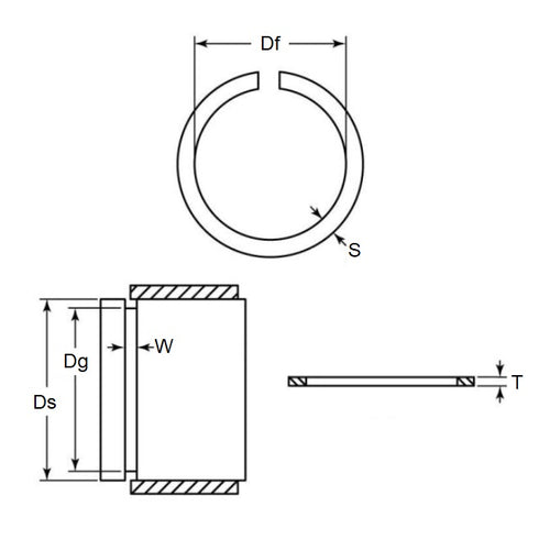
Retaining Rings - External - Snap Rings - Carbon SteelCarbon Steel Snap Rings External Retaining Rings. Includes series M3200 / SP / ESP / M2400 / SW snaprings. Similar to a circlip without the lugs.
- An expanded range may be available on special order. Please enquire.
- Carbon sping steel
- Used on the outside diameter of a bearing, shaft or similar equipment
Product Data
- Shaft or Bearing OD (d1)
:
50.00
mm
(Equiv. 1.969 in.) - Clip Thickness (T)
1.50
mm
+ 0 / - 0.10
(Equiv. 0.059 in.) - Groove Dia. (Dg)
48.50
mm
+ 0 / - 0.16
(Equiv. 1.909 in.) - Approx. Loose Circlip ID (A) 47.80 mm
- Radial Wall (S) Approx. 2.30 mm + 0 / - 0.10
- Groove Width (W) 1.60 mm
- Approx. Loose Clip OD 52.4
- Section Profile Rectangular with Square Edge
- Material Carbon Spring Steel
Product Compliance and Data
Additional Resources
Cross References
- NoCor DSW-050
- Seeger M2400-0500APP
- Seeger M2400-50
- Seeger SW50
- Seeger SW50A501-S
- DSW050
- SW50A501S
- WRE0500SQ
- M24000500APP
- M240050


